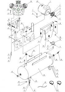
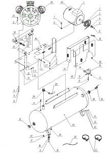
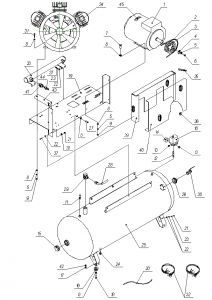
Позиция в деталировке
                                                    —
                                                    
                                                        37                                                    
                                                Производитель
                                                    —
                                                    
                                                        Remeza                                                    
                                                Тип
                                                    —
                                                    
                                                        Поршневой                                                    
                                                
                                        
                                            Под заказ
                                Наши менеджеры обязательно свяжутся с вами и уточнят условия заказа
                                        
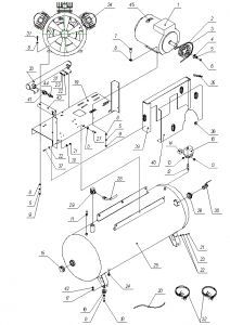
                                    Позиция в деталировке
                                                    —
                                                    
                                                        31                                                    
                                                Производитель
                                                    —
                                                    
                                                        Remeza                                                    
                                                Тип
                                                    —
                                                    
                                                        Поршневой                                                    
                                                
                                        
                                            Под заказ
                                Наши менеджеры обязательно свяжутся с вами и уточнят условия заказа
                                        
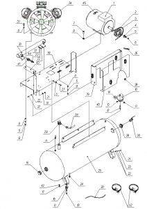
                                    Позиция в деталировке
                                                    —
                                                    
                                                        7                                                    
                                                Производитель
                                                    —
                                                    
                                                        Remeza                                                    
                                                Тип
                                                    —
                                                    
                                                        Поршневой                                                    
                                                
                                        
                                            Под заказ
                                Наши менеджеры обязательно свяжутся с вами и уточнят условия заказа
                                        
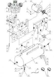
                                    Позиция в деталировке
                                                    —
                                                    
                                                        27                                                    
                                                Производитель
                                                    —
                                                    
                                                        Remeza                                                    
                                                Тип
                                                    —
                                                    
                                                        Поршневой                                                    
                                                
                                        
                                            Под заказ
                                Наши менеджеры обязательно свяжутся с вами и уточнят условия заказа
                                        
                                    Позиция в деталировке
                                                    —
                                                    
                                                        6                                                    
                                                Производитель
                                                    —
                                                    
                                                        Remeza                                                    
                                                Тип
                                                    —
                                                    
                                                        Поршневой                                                    
                                                
                                        
                                            Под заказ
                                Наши менеджеры обязательно свяжутся с вами и уточнят условия заказа
                                        
                                    Позиция в деталировке
                                                    —
                                                    
                                                        18                                                    
                                                Производитель
                                                    —
                                                    
                                                        Remeza                                                    
                                                Тип
                                                    —
                                                    
                                                        Поршневой                                                    
                                                
                                        
                                            Под заказ
                                Наши менеджеры обязательно свяжутся с вами и уточнят условия заказа
                                        
                                    Позиция в деталировке
                                                    —
                                                    
                                                        36                                                    
                                                Производитель
                                                    —
                                                    
                                                        Remeza                                                    
                                                Тип
                                                    —
                                                    
                                                        Поршневой                                                    
                                                
                            По запросу                        
                    
                                        
                                            Под заказ
                                Наши менеджеры обязательно свяжутся с вами и уточнят условия заказа
                                        
                                    Позиция в деталировке
                                                    —
                                                    
                                                        16                                                    
                                                Производитель
                                                    —
                                                    
                                                        Remeza                                                    
                                                Тип
                                                    —
                                                    
                                                        Поршневой                                                    
                                                
                            По запросу                        
                    
                                        
                                            Под заказ
                                Наши менеджеры обязательно свяжутся с вами и уточнят условия заказа
                                        
                                    Позиция в деталировке
                                                    —
                                                    
                                                        11                                                    
                                                Производитель
                                                    —
                                                    
                                                        Remeza                                                    
                                                Тип
                                                    —
                                                    
                                                        Поршневой                                                    
                                                
                                        
                                            Под заказ
                                Наши менеджеры обязательно свяжутся с вами и уточнят условия заказа
                                        
                                    Позиция в деталировке
                                                    —
                                                    
                                                        13                                                    
                                                Производитель
                                                    —
                                                    
                                                        Remeza                                                    
                                                Тип
                                                    —
                                                    
                                                        Поршневой                                                    
                                                
                            По запросу                        
                    
                                        
                                            Под заказ
                                Наши менеджеры обязательно свяжутся с вами и уточнят условия заказа
                                        
                                    Позиция в деталировке
                                                    —
                                                    
                                                        26                                                    
                                                Производитель
                                                    —
                                                    
                                                        Remeza                                                    
                                                Тип
                                                    —
                                                    
                                                        Поршневой                                                    
                                                
                                        
                                            Под заказ
                                Наши менеджеры обязательно свяжутся с вами и уточнят условия заказа
                                        
                                    Позиция в деталировке
                                                    —
                                                    
                                                        12                                                    
                                                Производитель
                                                    —
                                                    
                                                        Remeza                                                    
                                                Тип
                                                    —
                                                    
                                                        Поршневой                                                    
                                                
                            По запросу                        
                    
                                        
                                            Под заказ
                                Наши менеджеры обязательно свяжутся с вами и уточнят условия заказа
                                        
                                    Позиция в деталировке
                                                    —
                                                    
                                                        28                                                    
                                                Производитель
                                                    —
                                                    
                                                        Remeza                                                    
                                                Тип
                                                    —
                                                    
                                                        Поршневой                                                    
                                                
                            По запросу                        
                    
                                        
                                            Под заказ
                                Наши менеджеры обязательно свяжутся с вами и уточнят условия заказа
                                        
                                    
 
                                                        
 
                                     
                                     
                                     
                                     
                                     
                                     
                                     
                                     
                                     
                                     
                                     
                                     
                                    